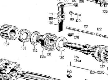
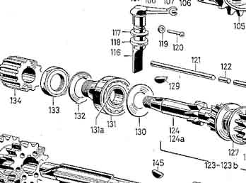
Clutch basket support taper bearing T4-0131
price EUR 178.00

quantity :
 
Clutch basket support taper bearing
New bearing for the clutch basket.
SKF special product, not for sale in ANY bearing shop.
Sachs replacement number 09 0686 008 005 & 0632 007 000 (bronze bush).
131 + 131a.

Bearing comes with bronze bush.
Siba and Bosch engines.
 
   
 
< number 131/313a

File Attachment Icon
clutchreturno1pti.jpg
File Attachment Icon
clutchbearing.jpg